通信

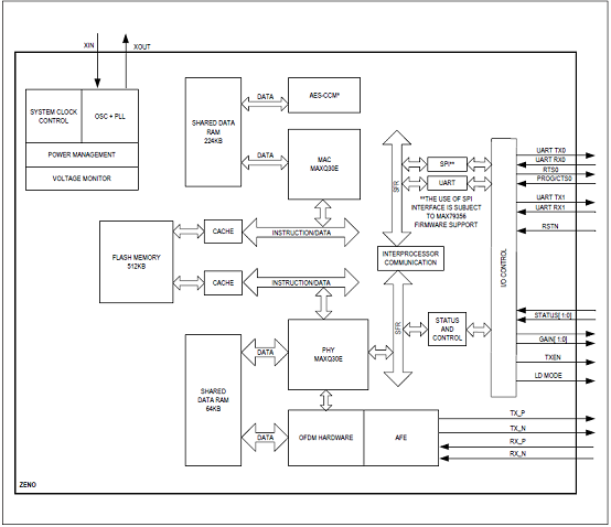
        ZENO™ (MAX79356) is a programmable narrowband orthogonal frequency division multiplexing (OFDM)-based powerline communication (PLC) modem system-on-chip (SoC) device that provides standards compliant high performance and secured powerline communication in a small package. ZENO integrates two pipelined 32-bit RISC (MAXQ®30E) processors to offer high performance and future-proof flexibility. These two 32-bit RISC proces­sors perform dedicated PHY signal processing functions and MAC layer functionality. Maxim provided, certified firmware images allow faster time to market. Factory or in-field firmware update feature allows adoption of changes and updates in PLC communication standards. The inte­grated high-speed AES-CCM* engine ensures standards compliant data communication security and integrity.
MAX79356主要优势和特性:

Supports All Standards and Frequency Bands to Reduce R&D Investment and Time to Market G3-PLC Certified 
Compliant with, G3-PLC, IEEE 1901.2, ITU G9903, PRIME 
Supports Regulated Frequency Bands for Communication: CENELEC, FCC, ARIB 
Accommodates Evolving Standards with Flexible System Architecture That Integrates Dual 32-Bit RISC Processors with 512KB Flash and 288KB RAM for MAC and PHY Universal Firmware Supports Both PAN Coordinator and PAN Device Functionality 
Programmable Frequency Notching 
Efficient BOM for Building Competitive Modems Supports All G3-PLC Bands with One SKU 
Integrates MAC, OFDM PHY, and Analog Front End for Simplified Board Design 
Single 16MHz Crystal Generates All Operating Clocks 
UART Provides Simple Interface for Host Processor Communications 
Low Power Consumption (typ) 55mW in Listen Mode 
70mW in Active Mode 
High-Sensitivity Receiver with Adaptive Gain Control Allows Communication with Low Signal-to-Noise Ratio 
Integrated 128/256-bit AES and AES-CCM* Engine for Encryption/Decryption and Authentication 

MAX79356应用:

Smart Grid Communications 
Smart Meters 
Advanced Metering Infrastructure (AMI) 
AMI Concentrators 
Factory and Building Automation 
Electric Vehicle Charging 
Home Energy Monitoring 
Solar and Renewable Energy Management 
Street Lighting Automation and Lighting Control